Warnblinkrelais Ersatzlösung

für Fahrzeug
Art der Arbeiten
Arbeiten Elektrik+Licht
Datum (Ausführung)
-
KM-Stand
90416 km
Verwendete Teile

1 Blinkrelais (für LED geeignet)
2 Standardrelais
Kleinkram - Flachstecker, Kabel

Arbeitsaufwand
2.00 Stunden
Kosten
30.00 Euro
Beschreibung/Arbeiten

Da das Warnblinkrelais seit dem Erwerb meines Bastel 911 noch nie an Ort und Stelle war und ein "originales" aber dann auch immer 50 Jahre altes Relais nicht unter 100Euro (wenn überhaupt) zu bekommen ist, wurde es Zeit für eine Ersatzlösung.

So schwierig ist das ganze auch nicht - mit ein paar Standardbauteilen lässt sich das wunderbar ersetzen und rein optisch ist der Kram unter dem Pedalbrett dann auch ziemlich egal.

Was man braucht: 1 Blinkgeber-Relais, 2 Standard-KFZ Relais, ein paar cm Kabel und Flachsteckverbinder...

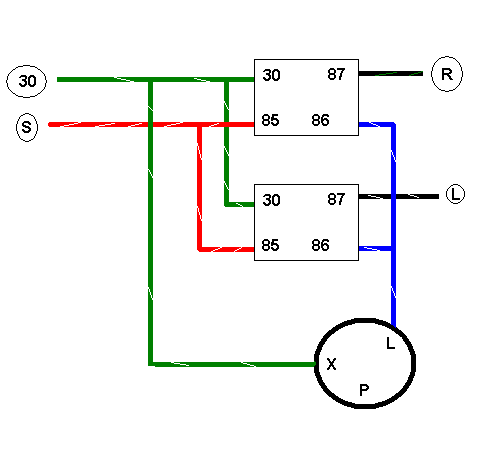
Zu wissen: Geschaltet wird vom Warnblinkschalter wohl die Masse, ansonsten sind "da unten" nur die beiden abgehenden Kabel für die beiden Blinker-Seiten und eine Plus-Leitung von dem anderen Blinkrelais. Bei der Ersatzlösung steuert dann ein zentraler Blinkgeber (ich habe einen genommen, der auch für LED Birnen geeignet ist, damit er auch mit der geringen Last der Relais taktet/schaltet!) ganz simpel die beiden Standard-Relais an, die wiederum die beiden Blinker-Seiten bedienen.
Glücklicherweise war die übrige Verkabelung intakt, so dass ich wirklich nur die 4 Flachsteckkontakte an meiner Lösung in die Flachsteckhülsen des Kabelbaums stecken musste und alles war gut.

Der Schaltplan, den ich gefunden habe, war da schon hilfreich, wenn auch nicht ganz vollständig - auf dem Bild fehlt der Plus-Anschluß des Blinkrelais.

Ausführender
MW
(Weitere) Fotos